Описание балластирующего устройства БУОТ-1020
Балластирующее устройство БУОТ-1020 применяется для обеспечения устойчивости трубопроводов, проложенных под водой или на суше. Оно используется в нефтегазовой отрасли и других областях, где требуется надёжная фиксация трубопроводов для предотвращения их смещения под воздействием внешних факторов (течения воды, ветра, грунтовых подвижек). Изделие изготавливается компанией ГК "БЛОК", которая специализируется на производстве и поставке железобетонных изделий в Москве, с использованием высокопрочного бетона класса B22.5 (М300) и армирования стальной арматурой, что обеспечивает его прочность, устойчивость к нагрузкам и долговечность.
Нормативный документ: ГОСТ Р 57993-2017.
Применение балластирующего устройства БУОТ-1020
Балластирующее устройство БУОТ-1020 используется для:
- фиксации трубопроводов при строительстве магистральных трубопроводов;
- обеспечения устойчивости трубопроводов в условиях подводной прокладки;
- защиты трубопроводов от смещения под воздействием внешних факторов (течения воды, ветра, грунтовых подвижек);
- балластировки трубопроводов в сложных геологических условиях.
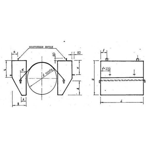
Основные параметры, размеры и характеристики
- Длина L, мм: 1100
- Ширина b, мм: 1500
- Высота h, мм: 550
- Масса, тонн: 3.38
- Объем бетона, м³: 0.73
- Класс бетона: B22.5 (марка М300);
Дополнительные характеристики
- Марка по морозостойкости: F200–F300;
- Марка по водонепроницаемости: W6–W8;
- Технология изготовления: формование с использованием высокопрочного бетона.
Нормы загрузки
- Норма загрузки в автотранспорт 20 т, шт: до 6 (в зависимости от грузоподъёмности).
Расшифровка маркировки БУОТ-1020
Маркировка "БУОТ-1020" содержит следующую информацию:
- БУОТ – балластирующее устройство для обустройства трубопроводов;
- 1020 – диаметр трубопровода, для которого предназначено устройство (в миллиметрах).
Условия транспортировки и хранения
Балластирующие устройства БУОТ-1020 перевозятся автомобильным или железнодорожным транспортом с использованием специальных захватных устройств (строп). Хранение осуществляется на ровных площадках с твердым покрытием. Устройства устанавливаются горизонтально в штабель высотой не более 2,5 м. Для предотвращения повреждений между изделиями устанавливаются деревянные прокладки.
Контроль качества балластирующего устройства БУОТ-1020
Каждое балластирующее устройство БУОТ-1020 проходит многоступенчатый контроль качества. Проверяются:
- прочность бетона (не ниже класса B22.5);
- соответствие геометрических размеров проектным данным;
- морозостойкость и водонепроницаемость бетона;
- точность расположения закладных элементов (при наличии);
- отсутствие трещин, сколов и других дефектов.
Заключение
Балластирующее устройство БУОТ-1020 – это надежное решение для обеспечения устойчивости трубопроводов в различных условиях эксплуатации. Благодаря использованию качественных материалов и современных технологий производства, оно обеспечивает прочность, устойчивость и долговечность конструкций. Для заказа качественных железобетонных изделий обращайтесь к профессионалам своего дела – компании ГК "БЛОК".
Смотрите также:
| Варианты написания товара |
|---|
| Балластирующее устройство БУОТ-1020 |
| БУОТ-1020 балластирующее устройство |
| Балластирующее устройство БУОТ-1020 ГОСТ Р 57993-2017 |
| БУОТ-1020 ГОСТ Р 57993-2017 |
| БУОТ-1020 |
| Балластирующее устройство БУОТ-1020 ГОСТ |
| БУОТ 1020 |
|
ГОСТ/Серия
|
ГОСТ Р 57993-2017 |
|
Длина, мм
|
1100 |
|
Ширина, мм
|
1500 |
|
Высота, мм
|
550 |
|
Масса, тонн
|
3.38 |
|
Объем бетона, куб.м
|
0.73 |
|
Класс бетона
|
B22.5 |
Как купить
Процесс покупки железобетонных изделий у нас прост и удобен. Следуйте этим шагам:
- Выбор продукции: Ознакомьтесь с нашим ассортиментом и выберите необходимые железобетонные изделия.
- Консультация: Свяжитесь с нашим менеджером для получения консультации по выбору продукции и уточнения всех деталей. Вы можете позвонить нам или написать на электронную почту.
- Оформление заказа: После согласования всех деталей оформите заказ. Менеджер поможет вам заполнить все необходимые документы.
- Согласование доставки: После оформления заказа наш менеджер свяжется с вами для согласования условий и сроков доставки.
- Оплата: Выберите удобный способ оплаты. Мы предлагаем несколько вариантов, включая безналичный расчет.
- Получение товара: После выполнения всех условий заказа, вы получите железобетонные изделия в назначенное время и по согласованному адресу. При получении подпишите акт приема-передачи.
Если у вас возникли вопросы на любом этапе покупки, не стесняйтесь обращаться к нашим менеджерам!
Оплата
Мы принимаем только безналичные платежи и работаем исключительно с юридическими лицами. Пожалуйста, ознакомьтесь с условиями оплаты ниже:
- Способ оплаты: Все расчеты производятся безналичным путем. Мы не принимаем наличные.
- Счет на оплату: После оформления заказа вам будет выставлен счет, который необходимо оплатить в срок, указанный в документе.
- Реквизиты: Все необходимые банковские реквизиты будут предоставлены в счете. Убедитесь, что все данные указаны правильно для успешного перевода.
- Подтверждение оплаты: После осуществления платежа отправьте нам подтверждение, чтобы мы могли оперативно обработать ваш заказ.
- Получение документов: После полной оплаты вы получите все необходимые документы, включая акт выполненных работ, товарные накладные и сертификаты на продукцию.
Мы работаем с НДС и предоставляем все необходимые сертификаты и документы. Все гарантии будут прописаны в договоре, что обеспечивает прозрачность и надежность сотрудничества.
Если у вас есть вопросы по поводу процесса оплаты, не стесняйтесь обращаться к нашим менеджерам за помощью!
Наша оперативность — ваше удобство. Мы гарантируем своевременную доставку железобетонных изделий, что является ключевым фактором для успешной реализации ваших строительных проектов. Доставка осуществляется прямо к вашему объекту с учетом всех стандартов качества.
Основные условия доставки:
• Выбор тарифа: Вы можете выбрать способ расчета стоимости доставки — почасовой или по зонам.
• Согласование: Менеджер свяжется с вами для уточнения деталей после оформления заказа.
• Время на погрузку: Комплектация товара занимает от 1 до 3 дней в зависимости от объема.
• Акт приема-передачи: Продукция передается по акту приема-передачи.
Тарифы на доставку:
Цены варьируются в зависимости от расстояния и региона. Все тарифы включают НДС. При неблагоприятных погодных условиях возможны небольшие изменения в стоимости.
География доставки:
Мы работаем по всей территории РФ и имеем 12 офисов и производств, чтобы обеспечить удобные условия для доставки.
Для точного расчета стоимости доставки обращайтесь к нашим менеджерам!

