Описание звена ЗК 4.100
Звено (ЗК 4.100) применяется для устройства канализационных коллекторов, обеспечивающих отведение сточных вод и защиту подземных коммуникаций. Изделие изготавливается компанией ГК "БЛОК", которая специализируется на производстве и поставке железобетонных изделий в Москве, из высокопрочного бетона с армированием стальной арматурой, что обеспечивает его прочность, устойчивость к нагрузкам и долговечность.
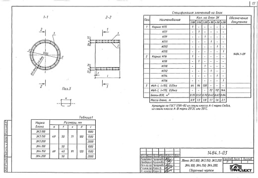
Нормативный документ: ОСТ 35-27.1-85.
Применение звена ЗК 4.100
Звено ЗК 4.100 используется для создания надёжных канализационных коллекторов, которые служат важной частью системы водоотведения и защиты инженерных сетей. Оно обеспечивает безопасность, долговечность и функциональность объектов. Для монтажа могут применяться дополнительные элементы: герметизирующие материалы, закладные детали и другие комплектующие.
Типы звеньев
Железобетонные звенья подразделяются на несколько типов в зависимости от назначения и конструкции:
- ЗК: звено круглого сечения;
- ЗП: звено прямоугольного сечения;
- ЗУ: звено усиленное;
- ЗД: звено доборное.
Размеры зависят от типа: длина 1000–3000 мм, ширина 1240–3000 мм, высота определяется проектом.
Основные параметры, размеры и характеристики
- Длина L, мм: 1000
- Ширина b, мм: 1240
- Масса, тонн: 1.1
- Объем бетона, м³: 0.42
- Геометрический объем, м³: 1.5376
- Сталь, кг: 46.2
Дополнительные характеристики
- Класс бетона: B25 (марка М350)
- Марка по морозостойкости: F200–F300
- Марка по водонепроницаемости: W6–W8
- Технология изготовления: вибропрессование или формование с использованием высокопрочного бетона.
Нормы загрузки
- Норма загрузки в автотранспорт 20 т, шт: 18
Расшифровка маркировки ЗК 4.100
Маркировка "ЗК 4.100" содержит следующую информацию:
- ЗК – звено круглого сечения;
- 4 – условный внутренний диаметр изделия в дециметрах (400 мм);
- 100 – условная длина изделия в сантиметрах (1000 мм).
Условия транспортировки и хранения
Звенья ЗК 4.100 перевозятся автомобильным или железнодорожным транспортом с использованием специальных захватных устройств (строп). Хранение осуществляется на ровных площадках с твердым покрытием. Звенья устанавливаются горизонтально в штабель высотой не более 2,5 м. Для предотвращения повреждений между изделиями устанавливаются деревянные прокладки.
Контроль качества звена ЗК 4.100
Каждое звено ЗК 4.100 проходит многоступенчатый контроль качества. Проверяются:
- прочность бетона (не ниже класса B25);
- соответствие геометрических размеров проектным данным;
- морозостойкость и водонепроницаемость бетона;
- точность расположения закладных элементов (при наличии);
- отсутствие трещин, сколов и других дефектов.
Заключение
Звено ЗК 4.100 – это надежный и долговечный элемент для устройства канализационных коллекторов. Благодаря использованию качественных материалов и современных технологий производства, оно обеспечивает прочность, устойчивость и долговечность конструкций. Для заказа качественных железобетонных изделий обращайтесь к профессионалам своего дела – компании ГК "БЛОК".
Смотрите также:
| Варианты написания товара |
|---|
| Звено ЗК 4.100 |
| ЗК 4.100 звено |
| Звено ЗК 4.100 ОСТ 35-27.1-85 |
| ЗК 4.100 ОСТ 35-27.1-85 |
| ЗК 4.100 |
| Звено ЗК 4.100 ГОСТ |
| ЗК 4.100 ГОСТ |
|
ГОСТ/Серия
|
ОСТ 35-27.1-85 |
|
Длина, мм
|
1000 |
|
Ширина, мм
|
1240 |
|
Масса, тонн
|
1.1 |
|
Объем бетона, куб.м
|
0.42 |
|
Геометрический объем, м.куб
|
1.5376 |
|
Сталь, кг
|
46.2 |
Как купить
Процесс покупки железобетонных изделий у нас прост и удобен. Следуйте этим шагам:
- Выбор продукции: Ознакомьтесь с нашим ассортиментом и выберите необходимые железобетонные изделия.
- Консультация: Свяжитесь с нашим менеджером для получения консультации по выбору продукции и уточнения всех деталей. Вы можете позвонить нам или написать на электронную почту.
- Оформление заказа: После согласования всех деталей оформите заказ. Менеджер поможет вам заполнить все необходимые документы.
- Согласование доставки: После оформления заказа наш менеджер свяжется с вами для согласования условий и сроков доставки.
- Оплата: Выберите удобный способ оплаты. Мы предлагаем несколько вариантов, включая безналичный расчет.
- Получение товара: После выполнения всех условий заказа, вы получите железобетонные изделия в назначенное время и по согласованному адресу. При получении подпишите акт приема-передачи.
Если у вас возникли вопросы на любом этапе покупки, не стесняйтесь обращаться к нашим менеджерам!
Оплата
Мы принимаем только безналичные платежи и работаем исключительно с юридическими лицами. Пожалуйста, ознакомьтесь с условиями оплаты ниже:
- Способ оплаты: Все расчеты производятся безналичным путем. Мы не принимаем наличные.
- Счет на оплату: После оформления заказа вам будет выставлен счет, который необходимо оплатить в срок, указанный в документе.
- Реквизиты: Все необходимые банковские реквизиты будут предоставлены в счете. Убедитесь, что все данные указаны правильно для успешного перевода.
- Подтверждение оплаты: После осуществления платежа отправьте нам подтверждение, чтобы мы могли оперативно обработать ваш заказ.
- Получение документов: После полной оплаты вы получите все необходимые документы, включая акт выполненных работ, товарные накладные и сертификаты на продукцию.
Мы работаем с НДС и предоставляем все необходимые сертификаты и документы. Все гарантии будут прописаны в договоре, что обеспечивает прозрачность и надежность сотрудничества.
Если у вас есть вопросы по поводу процесса оплаты, не стесняйтесь обращаться к нашим менеджерам за помощью!
Наша оперативность — ваше удобство. Мы гарантируем своевременную доставку железобетонных изделий, что является ключевым фактором для успешной реализации ваших строительных проектов. Доставка осуществляется прямо к вашему объекту с учетом всех стандартов качества.
Основные условия доставки:
• Выбор тарифа: Вы можете выбрать способ расчета стоимости доставки — почасовой или по зонам.
• Согласование: Менеджер свяжется с вами для уточнения деталей после оформления заказа.
• Время на погрузку: Комплектация товара занимает от 1 до 3 дней в зависимости от объема.
• Акт приема-передачи: Продукция передается по акту приема-передачи.
Тарифы на доставку:
Цены варьируются в зависимости от расстояния и региона. Все тарифы включают НДС. При неблагоприятных погодных условиях возможны небольшие изменения в стоимости.
География доставки:
Мы работаем по всей территории РФ и имеем 12 офисов и производств, чтобы обеспечить удобные условия для доставки.
Для точного расчета стоимости доставки обращайтесь к нашим менеджерам!

